ARBUEO 450 टन एक इंजेक्शन मोल्डिंग उपकरण है जिसका उपयोग डिस्पोजेबल प्लास्टिक जैसे पतली दीवार वाले कंटेनरों के उत्पादन के लिए किया जाता है।
विशेषताएं
1. उच्च गति इंजेक्शन.
2. पतली दीवार इंजेक्शन मोल्डिंग प्रौद्योगिकी.
3. संरचनात्मक विशेषताएँ.
4. सटीक तापमान नियंत्रण प्रणाली.
5. स्थिर हाइड्रोलिक प्रणाली.
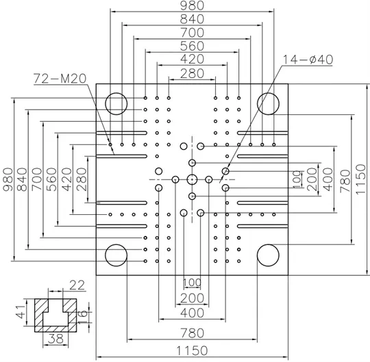
पट्ट आयाम


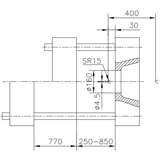
मशीन आयाम

प्लास्टिक कपों के लिए इंजेक्शन मोल्डिंग मशीनें कैसे काम करती हैं?
प्लास्टिक के छर्रों को पिघलाकर उन्हें मोल्ड कैविटी में डालना ही प्लास्टिक कप इंजेक्शन मोल्डिंग मशीन का काम करने का तरीका है। इस उपकरण में प्लास्टिक के छर्रों को लोड करने के लिए एक हॉपर, प्लास्टिक को पिघलाने के लिए एक बैरल, पिघले हुए प्लास्टिक को मोल्ड में इंजेक्ट करने के लिए एक इंजेक्शन डिवाइस और प्लास्टिक को ठंडा करने और ठोस बनाने के लिए एक मोल्ड होता है।
इंजेक्शन मोल्डिंग प्रक्रिया शुरू करने के लिए प्लास्टिक के छर्रों को हॉपर में रखा जाता है। उसके बाद, छर्रों को बैरल के अंदर गर्म करके पिघलाया जाता है, जिसमें प्लास्टिक को आगे बढ़ाने के लिए एक स्क्रू होता है। प्लास्टिक पिघलने के बाद, इसे उच्च दबाव में मोल्ड गुहा में इंजेक्ट किया जाता है, जहाँ यह ठंडा हो जाता है और आवश्यक भाग का आकार बनाने के लिए कठोर हो जाता है।
सामान्य प्रश्न
लोकप्रिय टैग: प्लास्टिक कप इंजेक्शन मोल्डिंग मशीन, चीन प्लास्टिक कप इंजेक्शन मोल्डिंग मशीन निर्माताओं, आपूर्तिकर्ताओं, कारखाने







